Special structure with camouflage for installation of telecom equipment

Telecom design

Time spent: 30

Single parts: 85

Assemblies: 25

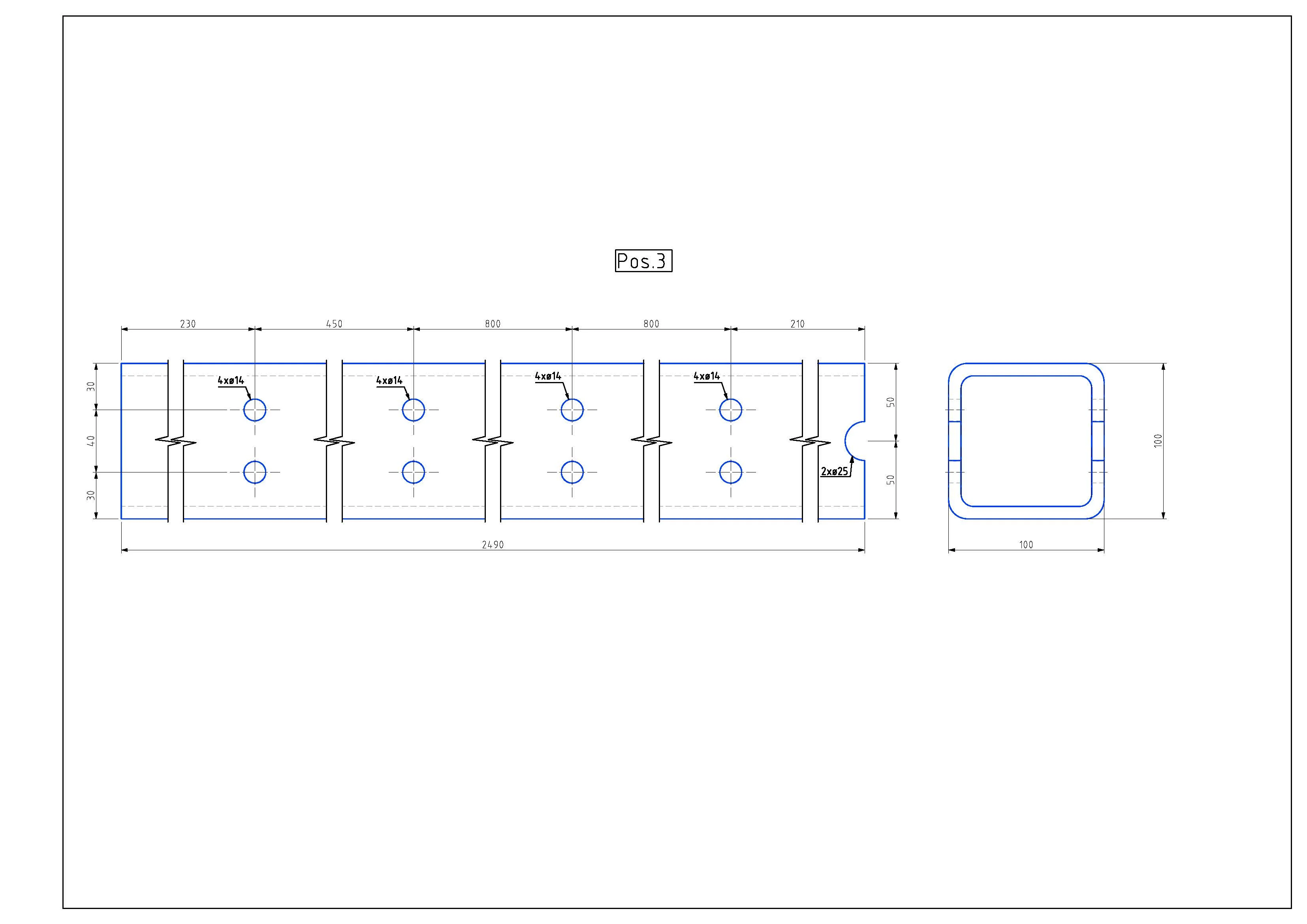
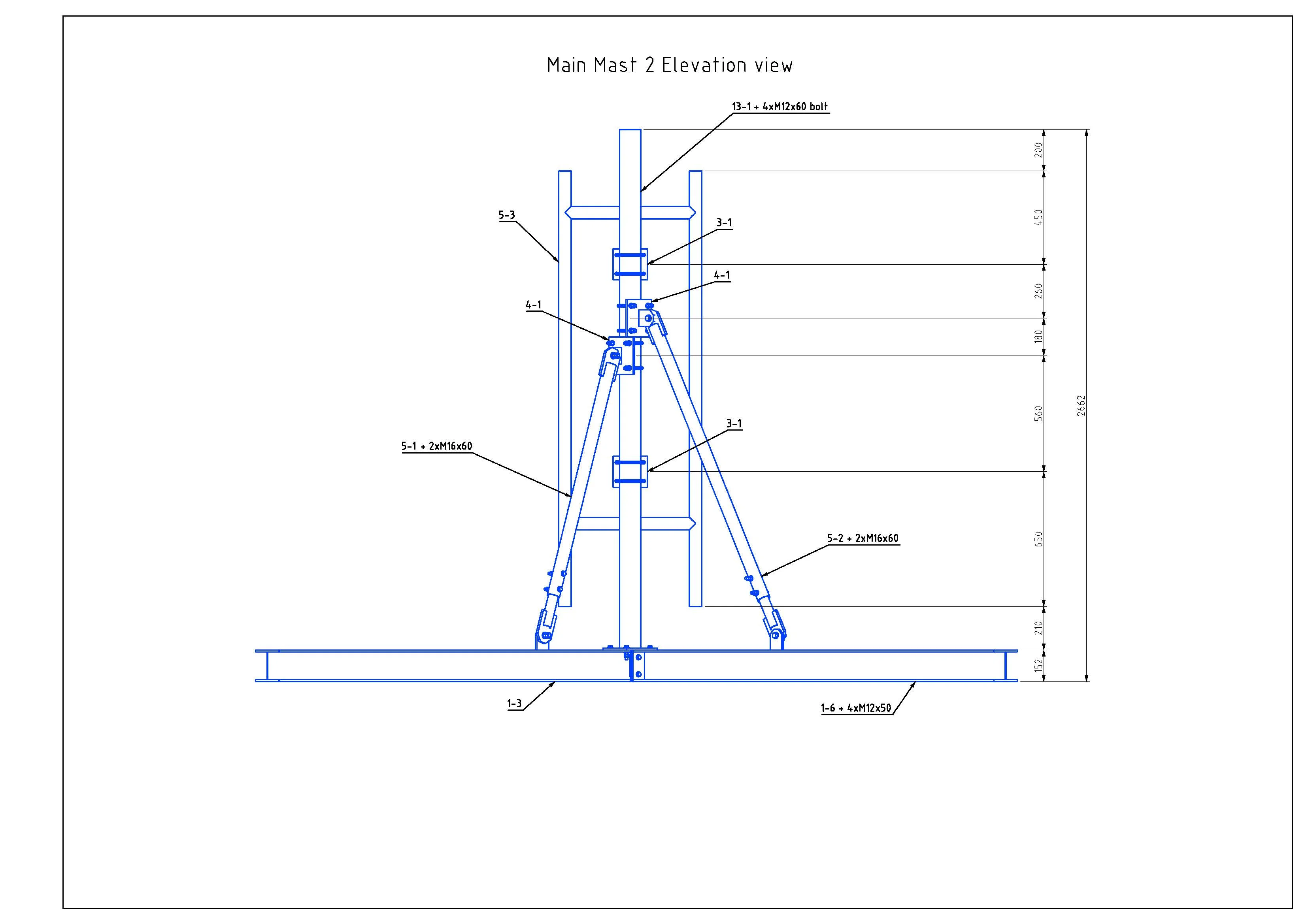
A 3D model with structural drawings for a special structure with camouflage for installation of telecom equipment was produced based on a site survey and a stability calculation report. The drawing package includes all necessary global views, sections, assemblies, and single parts